
UPI-C42/UPI-L42
WAVEFORMS (Continued)
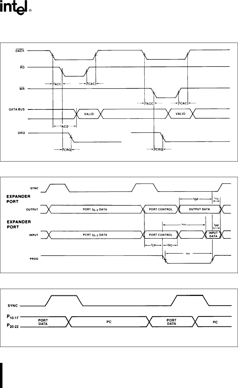
DMA
290414–27
PORT 2
290414–28
PORT TIMING DURING EXTERNAL ACCESS (EA)
290414–29
On the Rising Edge of SYNC and EA is Enabled, Port Data is Valid and can be Strobed. On the Trailing Edge of Sync
the Program Counter Contents are Available.
23
Komentarze do niniejszej Instrukcji